本文へスキップ

セルロース材料グループでは、「作る」「知る」「使う」のサイクルで研究開発を進めています。


〒739−0046 広島県東広島市鏡山3-11-32
国立研究開発法人 産業技術総合研究所
中国センター 機能化学研究部門

セルロース材料グループ

AppendixNEWS&FAQ

ナノセルロース関連の図や写真(パーツ置き場)

パルプ由来CNF
パルプ由来CNF
木質由来CNF
木質由来CNF
柑橘由来CNF
柑橘由来CNF
CNFモデル図
CNFモデル図
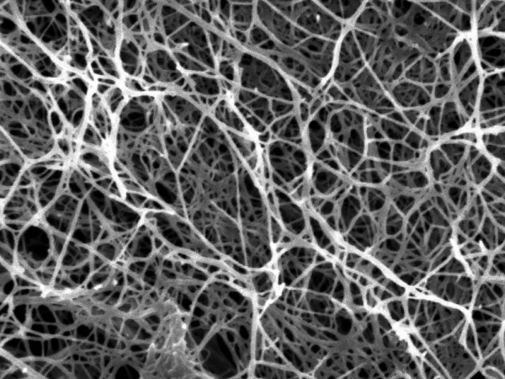
CNFのFE-SEM写真 スケール入り
CNFのFE-SEM写真
(スケール入り)
CNFのFE-SEM写真 スケールなし
CNFのFE-SEM写真
(スケール無し)
CNFのFE-SEM写真(精製パルプ由来)
CNFのFE-SEM写真
(精製パルプ由来)
木材組織のSEM写真
木材組織のSEM写真
セルロース分子モデル図
セルロース分子モデル図
木質構造モデル図(色つき)
木質構造モデル図
木材構造モデル図(グレー)
木質構造モデル図
木質構造モデル図(線画)
木質構造モデル図
木質チップモデル図
木質チップモデル図
木粉モデル図
木粉モデル図
ナタデココの写真
ナタデココの写真
MAPP反応モデル図
MAPP反応モデル図
ニーダーのイラスト
ニーダーのイラスト
セルロースミクロフィブリルモデル図(36本)
セルロース
ミクロフィブリル
モデル図
(36本)
セルロースミクロフィブリルモデル図(18本)
セルロース
ミクロフィブリル
モデル図
(18本)


 
 
 

※サムネイル表示画像は横140pixel

追記事項

セルロース材料グループ



バナースペース

所在地

〒739−0046
広島県東広島市鏡山3-11-32
国立研究開発法人
産業技術総合研究所
中国センター
機能化学研究部門
セルロース材料グループ




 アクセス 産総研中国センター セルロース材料グループ