セルロースナノファイバーの解説・産総研(セルロース材料研究グループ)の活動

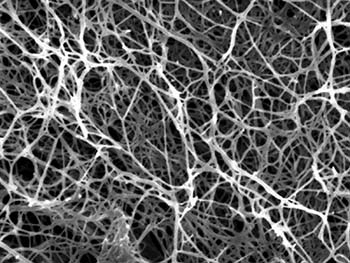
ナノセルロースの高分解能走査型電子顕微鏡(FE-SEM)

セルロースナノファイバーの解説

  • 木材,草,竹,稲ワラ等の植物の主要成分は,セルロース,ヘミセルロース,リグニンです。植物細胞壁はセルロース分子の超微細な集合体が積層して形成されています。機械的な処理等で,この部分を取り出したのがナノセルロースです。
  • ナノセルロースには,機械的処理により得られるアスペクト比の大きなセルロースナノファイバー(CNF)と酸加水分解により得られるセルロースナノクリスタル(CNC)があります。
  • ナノセルロースは鋼鉄の5倍の強度でありながら5分の1の軽さしかなく,軽量・高強度・高弾性・低熱膨張・透明性など優れた特徴を持っています。
  • 植物や微生物由来であることから安全安心な天然物・再生型資源として注目されています。

産総研(セルロース材料研究グループ)の活動

 産総研機能化学研究部門セルロース材料研究グループでは,木質から直接的にリグニンやヘミセルロース等の木質成分を含んだナリグノセルロースナノファイバーに関する製造技術や樹脂との複合化技術、食品に含まれるセルロースナノファイバーに関する研究、セルロースナノファイバーの分析技術などセルロースナノファイバーについて幅広く研究開発を進めています。

セルロース材料研究グループWEBサイト